D681氣動衛生級蝶閥
產品概況
產品型號:D681
公稱通徑:DN20~108mm
公稱壓力:PN0.6~1.6MPa
適用溫度:-20~80℃
閥體材質:不銹鋼(P4、P6)
設計依據:GB標準
設計標準:GB/12238-1989
實驗和檢驗:JB/T9092
D681氣動衛生級蝶閥特點
防爆、開關、定位器
可拆連接,工作穩定、結構簡單、維修方便
啟閉力矩小、響應迅速、品質優良、壽命長
內壁拋光、表面光亮、輕巧美觀、清潔衛生、無死角易清洗
| D681氣動衛生級蝶閥技術參數 | |
| 公稱通徑 | DN20~108mm |
| 連接方式 | 外螺紋、三片式焊接、卡箍、對焊 |
| 氣缸選配 | AT系列、GT系列、進口執行器系列 |
| 氣缸形式 | 雙作用、單作用(彈簧復位) |
| 控制方式 | 二位切斷(開關型)、調節型、三段式(開度可選) |
| 公稱壓力 | 6、10、16bar(如需更高壓力訂貨時請注明) |
| 氣源壓力 | 雙作用:4~8bar、單作用:5~8bar |
| 介質溫度 | W5:-20~80℃ W6:-20~150℃ W9:-30~120℃ |
| 環境溫度 | 標準型:-20~80℃ |
| 閥體材質 | 不銹鋼(P4、P6) |
| 密封材質 | 丁晴橡膠(X)、氟橡膠(FKM)、三元乙丙橡膠(E) |
備注:其他特殊密封材質或特殊溫度亦可根據客戶要求設計選型。
|
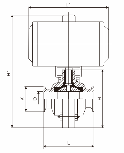
D681氣動衛生級蝶閥主要外形尺寸-PN6~16(6~16bar)
|
|||||||||||||||
| 公稱通徑[DN] | 外螺紋連接尺寸 | 三片式連接尺寸 | 卡箍連接尺寸 | 對焊連接尺寸 | Lo | H | 執行器型號 | ||||||||
| L1 | D | M | L2 | D | d | L3 | D | d | L4 | D | d | ||||
| 20 |
|
|
|
100 | 78 | 19.05 | 66 | 78 | 50.5 | 66 | 78 | 19.05 | 141/141 | 157/557 | ATD50/ATE50 |
| 25 | 66 | 78 | 40xl/6 | 100 | 78 | 25.4 | 66 | 78 | 50.5 | 66 | 78 | 25.4 | 141/141 | 157/557 | ATD50/ATE50 |
| 32 | 66 | 78 | 48xl/6 | 100 | 78 | 31.8 | 66 | 78 | 50.5 | 66 | 78 | 31.8 | 141/141 | 157/557 | ATD50/ATE50 |
| 38 | 70 | 86 | 60xl/6 | 100 | 86 | 38.1 | 70 | 86 | 50.58 | 70 | 86 | 38.1 | 141/141 | 157/557 | ATD50/ATE50 |
| 51 | 76 | 102 | 70xl/6 | 104 | 102 | 50.8 | 76 | 102 | 64 | 76 | 102 | 50.8 | 141/159 | 171/180 | ATD50/ATE63 |
| 63 | 80 | 115 | 85xl/6 | 112 | 115 | 63.5 | 80 | 115 | 77.5 | 80 | 115 | 63.5 | 141/159 | 169/169 | ATD63/ATE63 |
| 76 | 84 | 128 | 98xl/6 | 112 | 128 | 76.1 | 84 | 128 | 91 | 84 | 128 | 76.1 | 159/211 | 194/208 | ATD63/ATE75 |
| 89 |
|
|
|
120 | 139 | 88.9 | 90 | 139 | 106 | 90 | 139 | 88.9 | 159/248 | 200/224 | ATD63/ATE88 |
| 102 | 104 | 159 | 132xl/6 | 128 | 155 | 101.6 | 102 | 155 | 119 | 102 | 155 | 101.6 | 211/248 | 220/242 | ATD75/ATE88 |
| 108 |
|
|
|
128 | 159 | 108 | 108 | 159 | 119 | 108 | 159 | 108 | 211/269 | 223/245 | ATD75/ATE100 |
備注:根據不同的閥門扭矩,不同的氣源壓力以及不同的實際工況,選擇相匹配的執行器其相關外形尺寸也隨之變化。
溫馨提示:
本文中所有文字、數據、圖片均只適用于參考。需要查看更多的D681氣動衛生級蝶閥性能參數、結構尺寸參數、價格等詳情,或要求高質量印刷樣本,請聯系我們。