D643H氣動三偏心硬密封蝶閥
產品概況
產品型號:D643H
公稱通徑:DN50~1200mm
公稱壓力:PN0.6~4.0MPa
適用溫度:-40 ℃~425 ℃
適用介質:煤氣、空氣、蒸汽、水、海水、油品等
閥體材質:鑄鋼、不銹鋼、合金鋼等
驅動形式:手動、蝸輪傳動、氣動、液動、電動、電液聯動等
設計標準:GB/T12238-2008
結構長度:GB/T12221-2005
連接標準:JB/T 79.1-1994
壓力試驗:GB/T13927-2008
D643H氣動三偏心硬密封蝶閥產品說明
百鋼閥門集團生產銷售的D643H氣動三偏心硬密封蝶閥該產品廣泛用于石油、化工、電力、冶金、食品、醫藥、輕紡、造紙等行業,可安裝在溫度≤425℃,介質為煤氣、空氣、蒸汽、水、海水、油品等工業管網上作調節流量和切斷介質用。
驅動形式有手動、蝸輪傳動、氣動、液動、電動、電液聯動等執行機構,可實現遠距離控制和自動化操作。金屬硬密封蝶閥系列產品,系長壽命、節能型蝶閥。其結構采用三維編心原理設計,閥座采用硬軟密封兼容的多層次結構,加工精湛,工藝先進。本產品由閥體、蝶板、多層次閥座、閥桿、傳動機構等主要部件組成。因此被廣泛地應用到冶金、電力、石油、化工、空氣、煤氣、可燃氣體以及給排水等腐蝕性介質的管道上。
D643H氣動三偏心硬密封蝶閥產品特點
由于本產品蝶閥采用的是三維偏心原理設計,使密封面的空間運動軌跡達到理想化,密封面相互之間無磨擦、無干涉、加之密封材料選擇得當,從而使蝶閥的密封性、耐腐蝕性、耐高溫性和耐磨性等得到了可靠的保證。其主要特點如下:
1、開啟力矩小,靈活方便,省力節能。
2、三維編心結構,使蝶板越關越緊,其密封性能可靠,達到無泄漏。
3、耐高壓、耐腐蝕、耐磨損、使用壽命長等。
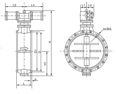
D643H氣動三偏心硬密封蝶閥主要外形尺寸

| 公稱通徑(DN) | 主要尺寸 | 法蘭尺寸和螺栓規格 | ||||||||||
| 1.0MPa | 1.6MPa | 2.5MPa | ||||||||||
| L | H1 | H | D | D1 | n-Фd | D | D1 | n-Фd | D | D1 | n-Фd | |
| 50 | 108 | 350 | 112 | 165 | 125 | 4-18 | 165 | 125 | 4-18 | 165 | 125 | 4-18 |
| 65 | 112 | 370 | 115 | 185 | 145 | 4-18 | 185 | 145 | 4-18 | 185 | 145 | 8-18 |
| 80 | 114 | 380 | 120 | 200 | 160 | 4-18 | 200 | 160 | 8-18 | 200 | 160 | 8-18 |
| 100 | 127 | 420 | 138 | 220 | 180 | 8-18 | 220 | 180 | 8-18 | 235 | 190 | 8-22 |
| 125 | 140 | 460 | 164 | 250 | 210 | 8-18 | 250 | 210 | 8-18 | 270 | 220 | 8-26 |
| 150 | 140 | 555 | 175 | 285 | 240 | 8-22 | 285 | 240 | 8-22 | 300 | 250 | 8-26 |
| 200 | 152 | 760 | 200 | 340 | 295 | 8-22 | 340 | 295 | 12-22 | 360 | 310 | 12-26 |
| 250 | 165 | 830 | 243 | 395 | 350 | 12-22 | 405 | 355 | 12-26 | 425 | 370 | 12-30 |
| 300 | 178 | 895 | 250 | 445 | 400 | 12-22 | 460 | 410 | 12-26 | 485 | 430 | 16-30 |
| 350 | 190 | 950 | 280 | 505 | 460 | 16-22 | 520 | 470 | 12-26 | 555 | 490 | 16-33 |
| 400 | 216 | 1190 | 305 | 565 | 515 | 16-26 | 580 | 525 | 16-26 | 620 | 550 | 16-36 |
| 450 | 222 | 1255 | 350 | 615 | 565 | 20-26 | 640 | 585 | 16-30 | 670 | 600 | 20-36 |
| 500 | 229 | 1305 | 380 | 670 | 620 | 20-26 | 715 | 650 | 20-30 | 730 | 660 | 20-36 |
| 600 | 267 | 1340 | 445 | 780 | 725 | 20-30 | 840 | 770 | 20-33 | 845 | 770 | 20-39 |
| 700 | 292 | 1520 | 480 | 895 | 840 | 24-30 | 910 | 840 | 24-36 | 960 | 875 | 24-42 |
| 800 | 318 | 1710 | 530 | 1015 | 950 | 24-33 | 1025 | 950 | 24-39 | 1085 | 990 | 24-48 |
| 900 | 330 | 1810 | 580 | 1115 | 1050 | 28-33 | 1125 | 1050 | 28-39 | 1185 | 1090 | 28-48 |
| 1000 | 410 | 1960 | 650 | 1230 | 1160 | 28-36 | 1255 | 1170 | 28-42 | 1320 | 1210 | 28-56 |
| 1200 | 470 | 2250 | 760 | 1455 | 1380 | 32-39 | 1485 | 1390 | 32-48 | 1530 | 1420 | 32-56 |
溫馨提示:
本文中所有文字、數據、圖片均只適用于參考。需要查看更多的D643H氣動三偏心硬密封蝶閥性能參數、結構尺寸參數、價格等詳情,或要求高質量印刷樣本,請聯系我們。