D643H/F氣動法蘭偏心軟密封蝶閥
產品概況
產品型號:D643H/F
公稱通徑:DN50-DN2000
公稱壓力:0.6~1.6MPa
閥體材質:WCB、QT450-10、HT200、HT250
適用溫度:丁腈橡膠:-40℃~90℃氟橡膠:-20℃~200℃
適用介質:水、空氣、天然氣、油品及弱腐蝕性流體
制造標準:GB/T122387-89
法蘭標準:GB9113-2000、GB17241.6-1998
結構長度標準:GB12221-89
檢驗標準:GB/T13927-92
百鋼閥門集團生產銷售的D643H/F氣動法蘭式偏心軟密封蝶閥由角行程氣動活塞式執行器及蝶閥閥體組成,采用三維偏心原理設計,使密封面的空間運動軌跡達到理想化,密封面相互之間無磨擦、無干涉、加之密封材料選擇得當,從而使蝶閥的密封性、耐腐蝕性、耐高溫性和耐磨性等得到了可靠的保證。
D643H/F氣動法蘭偏心軟密封蝶閥產品特點
1、操作力矩小,是所有閥類中操作力矩最小的一種,啟閉迅速,以壓縮空氣為動力,通過活塞齒條,齒輪的機械傳動閥桿,以角行程輸出的扭矩轉動閥板0~90°,就能快速的完成啟閉動作,結構簡單、體積小、重量輕、流阻小、流量系數大,密封性能好。調節范圍大。是自動化控制系統中儀表的執行單元。
2、采用電-氣閥門定位器,以電信號和壓縮空氣為動力,接受控制系統輸入的0-10mADC或4-20mADC電流信號,由調節器將壓縮空氣,轉換成氣源壓力信號輸入輸出,改變閥板的旋轉角度(0-90°任意角度),具有較好的調節控制流量等參數。
3、采用電磁換向閥、閥位回訊器,以AC220V或DC24V電源電壓和壓縮空氣作動力,實現對流體介質的快速二位切斷控制。
4、執行機構采用活塞式氣缸及曲臂轉換結構,輸出力矩大,體積精小,采用全密封防水設計防護等級高。氣缸體采用鏡面氣缸,無油潤滑,磨擦系數小、耐腐蝕、具有較強的耐用性及可靠性。所有傳動軸承均采用邊界自潤滑軸承無油潤滑,確保傳動軸不摩損。
D643H/F氣動法蘭偏心軟密封蝶閥主要結構參數
|
公稱通經DN(mm) |
50~2000 |
50~1600 |
|
|
公稱壓力PN(MPa) |
0.6 |
1.0 |
1.6 |
|
密封試驗(MPa) |
0.66 |
1.1 |
1.76 |
|
強度試驗(MPa) |
0.9 |
1.5 |
2.4 |
|
適用溫度 |
丁腈橡膠:-40℃~90℃氟橡膠:-20℃~200℃ |
||
|
適用介質 |
水、空氣、天然氣、油品及弱腐蝕性流體 |
||
|
泄漏率 |
符合GB/T13927-92標準 |
||
|
驅動方式 |
蝸輪傳動、電動、氣動、液動 |
||
D643H/F氣動法蘭偏心軟密封蝶閥主要零部件材料
|
零件名稱 |
材料 |
|
閥體 |
WCB、QT450-10、HT200、HT250 |
|
蝶板 |
WCB、QT450-10、HT200、HT250 |
|
閥軸 |
2Cr13 |
|
密封圈 |
丁腈耐油橡膠 |
|
填料 |
柔性石墨 |
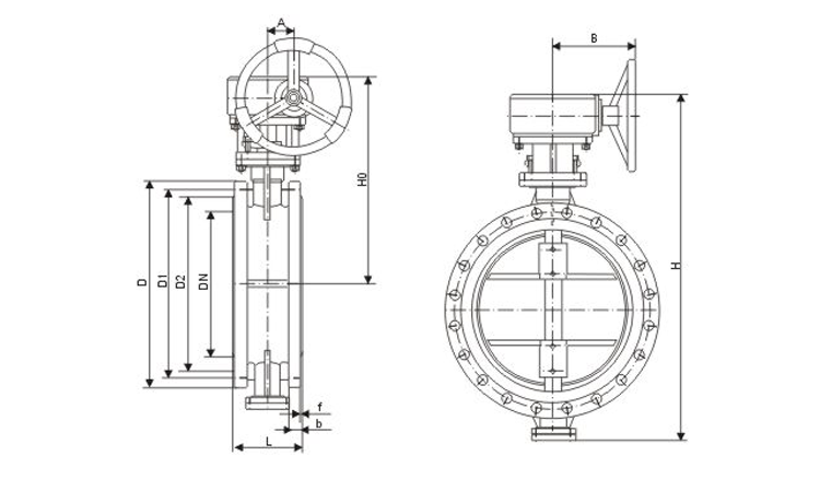
D643H/F氣動法蘭偏心軟密封蝶閥主要外形尺寸

|
主要外形連接尺寸 |
法蘭尺寸和螺栓孔尺寸 |
|
|||||||||||||||
|
DN |
L |
H |
A |
B |
0.6MPa |
1.0MPa |
1.6MPa |
|
|||||||||
|
D |
D1 |
D2 |
n-d |
D |
D1 |
D2 |
n-d |
D |
D1 |
D2 |
n-d |
|
|||||
|
50 |
108 |
82.5 |
306 |
80 |
80 |
140 |
110 |
88 |
4-14 |
185 |
125 |
99 |
4-18 |
165 |
125 |
99 |
4-18 |
|
65 |
112 |
92.5 |
321 |
80 |
80 |
160 |
130 |
108 |
4-14 |
185 |
145 |
118 |
4-18 |
185 |
145 |
118 |
4-18 |
|
80 |
114 |
100 |
346 |
80 |
80 |
190 |
150 |
124 |
4-18 |
200 |
160 |
132 |
8-18 |
200 |
160 |
132 |
8-18 |
|
100 |
127 |
110 |
387 |
95 |
95 |
210 |
170 |
144 |
4-18 |
220 |
180 |
156 |
8-18 |
220 |
180 |
156 |
8-18 |
|
125 |
140 |
125 |
411 |
95 |
95 |
240 |
20 |
174 |
8-18 |
250 |
210 |
184 |
8-18 |
250 |
210 |
184 |
8-18 |
|
150 |
140 |
142.5 |
447 |
95 |
95 |
265 |
225 |
199 |
8-18 |
285 |
240 |
211 |
8-22 |
285 |
240 |
211 |
8-22 |
|
200 |
152 |
170 |
607 |
190 |
308 |
320 |
280 |
254 |
8-18 |
340 |
295 |
266 |
8-22 |
340 |
295 |
266 |
12-22 |
|
250 |
165 |
192.5 |
688 |
190 |
308 |
375 |
335 |
309 |
12-18 |
395 |
350 |
319 |
12-22 |
405 |
355 |
319 |
12-26 |
|
300 |
178 |
222.5 |
742 |
190 |
308 |
440 |
395 |
363 |
12-22 |
445 |
400 |
370 |
12-22 |
460 |
410 |
370 |
12-26 |
|
350 |
190 |
252.5 |
797 |
190 |
308 |
490 |
445 |
413 |
12-22 |
505 |
460 |
429 |
16-22 |
520 |
470 |
429 |
16-26 |
|
400 |
216 |
282.5 |
930 |
270 |
466 |
540 |
495 |
463 |
16-22 |
565 |
515 |
480 |
16-26 |
580 |
525 |
480 |
16-30 |
|
450 |
222 |
307.5 |
975 |
270 |
466 |
595 |
550 |
518 |
16-22 |
615 |
565 |
530 |
20-26 |
640 |
585 |
548 |
20-30 |
|
500 |
229 |
335 |
1065 |
270 |
466 |
645 |
600 |
568 |
20-22 |
670 |
620 |
582 |
20-26 |
715 |
650 |
609 |
20-33 |
|
600 |
267 |
390 |
1225 |
457 |
625 |
755 |
705 |
667 |
20-26 |
780 |
725 |
682 |
20-30 |
840 |
770 |
720 |
20-36 |
|
700 |
292 |
447.5 |
1343 |
457 |
625 |
860 |
810 |
772 |
24-26 |
895 |
840 |
794 |
24-30 |
910 |
840 |
794 |
24-36 |
|
800 |
318 |
507.5 |
1436 |
457 |
625 |
975 |
920 |
878 |
24-30 |
1015 |
950 |
901 |
24-33 |
1025 |
950 |
901 |
24-39 |
|
900 |
330 |
557.5 |
1616 |
598 |
853 |
1075 |
1020 |
978 |
24-30 |
1115 |
1050 |
1001 |
28-33 |
1125 |
1050 |
1001 |
28-39 |
|
1000 |
410 |
615 |
1711 |
598 |
853 |
1175 |
1120 |
1078 |
28-30 |
1230 |
1160 |
1112 |
28-36 |
1255 |
1170 |
1112 |
28-42 |
|
1200 |
470 |
727.5 |
1971 |
598 |
853 |
1405 |
1340 |
1295 |
32-33 |
1455 |
1380 |
1328 |
32-39 |
1485 |
1390 |
1328 |
32-48 |
|
1400 |
530 |
837.5 |
2218 |
860 |
1345 |
1630 |
1560 |
1510 |
36-36 |
1675 |
1590 |
1530 |
36-42 |
1685 |
1590 |
1530 |
36-48 |
|
1600 |
600 |
957.5 |
2578 |
860 |
1345 |
1830 |
1760 |
1710 |
40-36 |
1915 |
1820 |
1750 |
40-48 |
1930 |
1820 |
1750 |
40-56 |
|
1800 |
670 |
1057.5 |
2689 |
860 |
1345 |
2045 |
1970 |
1918 |
44-39 |
2115 |
2020 |
1950 |
44-48 |
2130 |
2020 |
1950 |
44-56 |
|
2000 |
760 |
1162.5 |
3022 |
952 |
1592 |
2265 |
2180 |
2125 |
48-42 |
2325 |
2230 |
2150 |
48-48 |
2345 |
2230 |
2150 |
48-62 |
溫馨提示:
本文中所有文字、數據、圖片均只適用于參考。需要查看更多的D643H/F氣動法蘭偏心軟密封蝶閥性能參數、結構尺寸參數、價格等詳情,或要求高質量印刷樣本,請聯系我們。