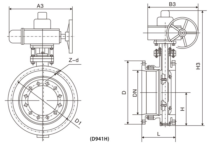
D643H氣動法蘭蝶閥
產品概況
產品型號:D643H
公稱通徑:DN50~800mm
公稱壓力:16、25、40bar(如需更高壓力訂貨時請注明)
介質溫度:W1:-40~180℃、W3:-30~425℃、W4:-40~425℃
閥體材質:碳鋼(C)、不銹鋼(P4、P6)
連接方式:法蘭式
環境溫度:標準型:-20~80℃
設計標準:GB/12238、API609
結構長度:GB12221、ANSI B16.10
連接法蘭尺寸:GB/9113、JB/T79、ANSI B16.47(26-32") NSI B16.47(26~32")
實驗和檢驗:JB/T9092 API598
| D643H氣動法蘭蝶閥主要外形尺寸-PN16(16bar) | ||||||||||
|
公稱通徑 [DN] |
外形尺寸 | 連接尺寸 | 執行器型號 | |||||||
| L | L1 | L2 | H | D | D1 | D2 | f | N-D | ||
| 50 | 108 | 159/211 | 83/95 | 277/205 | 165 | 125 | 99 | 3 | 4-18 | ATD63/ATE75 |
| 65 | 112 | 211/248 | 95/107 | 287/315 | 185 | 145 | 118 | 3 | 4-18 | ATD75/ATE88 |
| 80 | 114 | 248/269 | 107/123 | 365/375 | 200 | 160 | 132 | 3 | 8-18 | ATD88/ATE100 |
| 100 | 127 | 269/315 | 123/141 | 420/436 | 220 | 180 | 156 | 3 | 8-18 | ATD100/ATE115 |
| 125 | 140 | 315/345 | 141/152 | 436/462 | 250 | 210 | 184 | 3 | 8-18 | ATD115/ATE125 |
| 150 | 140 | 345/409 | 152/172 | 466/543 | 285 | 240 | 211 | 3 | 8-22 | ATD125/ATE145 |
| 200 | 152 | 409/438 | 172/187 | 593/665 | 340 | 295 | 266 | 3 | 12-22 | ATD145/ATE160 |
| 250 | 165 | 438/550 | 187/215 | 682/752 | 405 | 355 | 319 | 3 | 12-26 | ATD160/ATE190 |
| 300 | 178 | 550/600 | 215/240 | 725/772 | 460 | 410 | 370 | 4 | 12-26 | ATD190/ATE210 |
| 350 | 190 | 600/633 | 240/262 | 832/880 | 520 | 470 | 429 | 4 | 16-26 | ATD210/ATE240 |
| 400 | 216 | 633/730 | 262/330 | 862/968 | 580 | 525 | 480 | 4 | 16-30 | ATD240/ATE270 |
| 450 | 222 | 633/1700 | 262/440 | 945/1005 | 640 | 585 | 548 | 4 | 20-30 | ATD240/ATE25 |
| 500 | 229 | 730/1700 | 330/440 | 1058/1060 | 715 | 650 | 609 | 4 | 20-33 | ATD270/ATE25 |
| 600 | 267 | 1180/1700 | 368/440 | 1108/1195 | 840 | 770 | 720 | 5 | 20-36 | AWD20/AWE25 |
| 700 | 292 | 1320/1970 | 440/480 | 1170/1255 | 910 | 840 | 794 | 5 | 24-36 | AWD25/AWE28 |
| 800 | 318 | 1430/2700 | 480/560 | 1325/1365 | 1025 | 950 | 901 | 5 | 24-39 | ATD28/ATE35 |
| 備注:根據不同的閥門扭矩,不同的氣源壓力以及不同的實際工況,選擇相匹配的執行器其相關外形尺寸也隨之變化 | ||||||||||
| D643H氣動法蘭蝶閥主要外形尺寸-PN25(25bar) | ||||||||||
|
公稱通徑 [DN] |
外形尺寸 | 連接尺寸 | 執行器型號 | |||||||
| L | L1 | L2 | H | D | D1 | D2 | f | N-D | ||
| 50 | 108 | 159/211 | 83/95 | 277/205 | 165 | 125 | 99 | 3 | 4-18 | ATD63/ATE75 |
| 65 | 112 | 211/248 | 95/107 | 287/325 | 185 | 145 | 118 | 3 | 8-18 | ATD75/ATE88 |
| 80 | 114 | 248/269 | 107/123 | 365/391 | 200 | 160 | 132 | 3 | 8-18 | ATD88/ATE100 |
| 100 | 127 | 269/315 | 123/141 | 420/457 | 235 | 190 | 156 | 3 | 8-22 | ATD100/ATE115 |
| 125 | 140 | 315/345 | 141/152 | 436/462 | 270 | 220 | 184 | 3 | 8-26 | ATD115/ATE125 |
| 150 | 140 | 345/409 | 172/187 | 466/543 | 300 | 250 | 211 | 3 | 8-26 | ATD125/ATE145 |
| 200 | 152 | 409/438 | 187/215 | 593/665 | 360 | 310 | 274 | 3 | 12-26 | ATD145/ATE160 |
| 250 | 165 | 438/550 | 215/240 | 682/752 | 425 | 370 | 330 | 3 | 12-30 | ATD160/ATE190 |
| 300 | 178 | 550/600 | 240/262 | 702/820 | 485 | 430 | 389 | 4 | 16-30 | ATD190/ATE210 |
| 350 | 190 | 600/633 | 262/330 | 832/938 | 555 | 490 | 448 | 4 | 16-33 | ATD210/ATE240 |
| 400 | 216 | 633/730 | 262/440 | 910/968 | 620 | 550 | 503 | 4 | 16-36 | ATD240/ATE270 |
| 450 | 222 | 633/1700 | 330/440 | 1005/1010 | 670 | 600 | 548 | 4 | 20-36 | ATD240/ATE25 |
| 500 | 229 | 730/1700 | 330/440 | 1058/1065 | 730 | 660 | 609 | 4 | 20-36 | ATD270/ATE25 |
| 600 | 267 | 1180/1700 | 440/480 | 1110/1195 | 845 | 770 | 720 | 4 | 20-39 | AWD25/AWE28 |
| 700 | 292 | 1320/1970 | 480/560 | 1255/1295 | 960 | 875 | 820 | 5 | 24-42 | AWD28/AWE35 |
| 800 | 318 | 1430/2700 | 260/580 | 1325/1365 | 1085 | 990 | 928 | 5 | 24-48 | ATD35/ATE40 |
| D643H氣動法蘭蝶閥主要外形尺寸-PN40(40bar) | |||||||||||
|
公稱通徑 [DN] |
外形尺寸 | 連接尺寸 | 執行器型號 | ||||||||
| L | L1 | L2 | H | D | D1 | D2 | f | D3xX | N-D | ||
| 50 | 108 | 211/248 | 95/107 | 277/305 | 165 | 125 | 99 | 3 | 88x4 | 4-18 | ATD75/ATE88 |
| 65 | 112 | 248/269 | 107/123 | 310/341 | 185 | 145 | 118 | 3 | 110x4 | 8-18 | ATD88/ATE100 |
| 80 | 114 | 269/315 | 123/141 | 375/412 | 200 | 160 | 132 | 3 | 121x4 | 8-18 | ATD100/ATE115 |
| 100 | 127 | 315/345 | 141/152 | 436/462 | 235 | 190 | 156 | 3 | 150x4.5 | 8-22 | ATD115/ATE125 |
| 125 | 140 | 345/438 | 152/187 | 462/513 | 270 | 220 | 184 | 3 | 176x4.5 | 8-26 | ATD125/ATE160 |
| 150 | 140 | 438/550 | 187/240 | 543/615 | 300 | 250 | 211 | 3 | 204x4.5 | 8-26 | ATD160/ATE210 |
| 200 | 152 | 550/600 | 215/262 | 665/760 | 375 | 320 | 284 | 3 | 260x4.5 | 12-30 | ATD190/ATE240 |
| 250 | 165 | 600/633 | 240/262 | 752/858 | 450 | 385 | 315 | 3 | 313x4.5 | 12-33 | ATD210/ATE240 |
| 300 | 178 | 633/730 | 262/330 | 820/880 | 515 | 450 | 409 | 4 | 364x4.5 | 16-33 | ATD240/ATE270 |
| 350 | 190 | 730/1700 | 330/440 | 938/940 | 580 | 510 | 465 | 4 | 422x5 | 16-36 | ATD270/AWE25 |
| 400 | 216 | 1180/1700 | 365/440 | 970/1055 | 660 | 585 | 535 | 4 | 474x5 | 16-39 | AWD20/AWE25 |
| 450 | 222 | 1180/1970 | 440/480 | 1005/1090 | 685 | 610 | 560 | 4 | 524x5 | 20-39 | AWD20/AWE28 |
| 500 | 229 | 1320/1970 | 440/480 | 1145/1185 | 755 | 670 | 615 | 4 | 576x5 | 20-42 | AWD25/AWE28 |
| 600 | 267 | 1970/2700 | 480/560 | 1195/1235 | 890 | 795 | 735 | 5 | 676x5 | 20-48 | AWD28/AWE35 |
| D643H氣動法蘭蝶閥主要外形尺寸-Class150 | ||||||||||
|
公稱通徑 [DN] |
外形尺寸 | 連接尺寸 | 執行器型號 | |||||||
| L | L1 | L2 | H | D | D1 | D2 | f | N-D | ||
| 50 | 108 | 159/211 | 83/95 | 277/205 | 152 | 120.5 | 92 | 2 | 4-19 | ATD63/ATE75 |
| 65 | 112 | 211/248 | 95/107 | 287/325 | 178 | 139.5 | 105 | 2 | 4-19 | ATD75/ATE88 |
| 80 | 114 | 248/269 | 107/123 | 365/391 | 190 | 152.5 | 127 | 2 | 4-19 | ATD88/ATE100 |
| 100 | 127 | 269/315 | 123/141 | 420/457 | 229 | 190.5 | 157 | 2 | 8-19 | ATD100/ATE115 |
| 125 | 140 | 315/345 | 141/152 | 436/462 | 254 | 216 | 186 | 2 | 8-22 | ATD115/ATE125 |
| 150 | 140 | 345/409 | 152/172 | 466/543 | 279 | 241.5 | 216 | 2 | 8-22 | ATD125/ATE145 |
| 200 | 152 | 409/438 | 172/215 | 593/665 | 343 | 298.5 | 270 | 2 | 8-22 | ATD145/ATE190 |
| 250 | 165 | 438/550 | 187/240 | 682/752 | 406 | 362 | 324 | 2 | 12-25 | ATD160/ATE210 |
| 300 | 178 | 550/600 | 240/262 | 702/820 | 483 | 432 | 381 | 2 | 12-25 | ATD190/ATE240 |
| 350 | 190 | 600/633 | 240/262 | 832/938 | 533 | 476 | 413 | 2 | 12-29 | ATD210/ATE240 |
| 400 | 216 | 633/730 | 262/330 | 910/968 | 597 | 540 | 470 | 2 | 16-29 | ATD240/ATE270 |
| 450 | 222 | 633/1700 | 262/330 | 1005/1010 | 635 | 578 | 533 | 2 | 16-32 | ATD240/ATE270 |
| 500 | 229 | 730/1700 | 330/440 | 1058/1065 | 699 | 635 | 584 | 2 | 20-32 | ATD270/ATE25 |
| 600 | 267 | 1180/1700 | 365/440 | 1110/1195 | 813 | 749.5 | 682 | 2 | 20-35 | AWD20/AWE25 |
| 700 | 292 | 1320/1970 | 440/480 | 1255/1295 | 947 | 863.6 | 800 | 2 | 28-35 | AWD25/AWE28 |
| 800 | 318 | 1430/2700 | 480/560 | 1325/1365 | 1060 | 978 | 914 | 2 | 28-41 | AWD28/AWE35 |
| D643H氣動法蘭蝶閥主要外形尺寸-Class300 | ||||||||||
|
公稱通徑 [DN] |
外形尺寸 | 連接尺寸 | 執行器型號 | |||||||
| L | L1 | L2 | H | D | D1 | D2 | f | N-D | ||
| 50 | 108 | 211/248 | 95/107 | 277/305 | 165 | 127 | 92 | 2 | 8-19 | ATD75/ATE88 |
| 65 | 112 | 248/269 | 107/123 | 310/341 | 190 | 149 | 105 | 2 | 8-22 | ATD88/ATE100 |
| 80 | 114 | 269/315 | 123/141 | 375/412 | 210 | 168.5 | 127 | 2 | 8-22 | ATD100/ATE115 |
| 100 | 127 | 315/345 | 141/152 | 436/462 | 254 | 200 | 157 | 2 | 8-22 | ATD115/ATE125 |
| 125 | 140 | 345/438 | 152/187 | 462/513 | 279 | 235 | 186 | 2 | 8-22 | ATD125/ATE160 |
| 150 | 140 | 438/600 | 187/240 | 543/615 | 318 | 270 | 216 | 2 | 12-22 | ATD145/ATE160 |
| 200 | 152 | 550/600 | 215/262 | 665/760 | 381 | 330 | 270 | 2 | 12-25 | ATD160/ATE210 |
| 250 | 165 | 600/633 | 240/262 | 752/858 | 445 | 387.5 | 324 | 2 | 16-29 | ATD190/ATE240 |
| 300 | 178 | 633/730 | 240/262 | 820/880 | 521 | 451 | 381 | 2 | 16-32 | ATD210/ATE270 |
| 350 | 190 | 633/1700 | 262/440 | 938/940 | 584 | 514.5 | 413 | 2 | 20-32 | ATD240/AWE25 |
| 400 | 216 | 730/1700 | 330/440 | 970/1055 | 648 | 571.5 | 470 | 2 | 20-35 | ATD270/AWE25 |
| 450 | 222 | 730/1700 | 330/440 | 1005/1090 | 711 | 628.5 | 533 | 2 | 24-35 | ATD270/AWE25 |
| 500 | 229 | 1180/1970 | 365/1970 | 1145/1185 | 775 | 686 | 584 | 2 | 24-35 | AWD20/AWE25 |
| 600 | 267 | 1320/1970 | 440/480 | 1195/1235 | 914 | 813 | 682 | 2 | 24-41 | AWD25/AWE28 |
溫馨提示:
本文中所有文字、數據、圖片均只適用于參考。需要查看更多的D643H氣動法蘭蝶閥性能參數、結構尺寸參數、價格等詳情,或要求高質量印刷樣本,請聯系我們。