Q644F氣動三通球閥
產品概況
產品型號:Q644F
公稱通徑:DN15~200mm
公稱壓力:PN1.6~4.0MPa
工作溫度:PTFE≤150℃ PTL≤300℃
適用介質:C:水、油、氣;P:硝酸類;R:醋酸類
主要材質:WCB、CF8
設計規范: GB/T 12237 API 6D API 608 BS 5351
結構長度: GB/T 12221 ASME B16.10
法蘭連接: GB/T 9113 ASME B16.5
試驗與檢驗:GB/T 13927 API 598 API 6D
一、Q644F氣動三通球閥概述
百鋼閥門集團生產銷售的Q644F氣動三通球閥可分為L形氣動三通球閥和T形氣動三通球閥,L形(Q44F)三通球閥用于介質流向的切換,能使相互垂直的兩個通道連接;T形(Q45F)三通球閥用于介質分流、合流及流向切換。T形三通可以使三個通道相互連通或使其中的兩個通道連通。三通球閥一般采用兩閥座結構,亦可根據用戶要求采用四閥座結構。
二、Q644F氣動三通球閥性能參數
| 試驗壓力 | 公稱壓力(Mpa) | ||||
| Mpa | 1.6 | 2.5 | 4.0 | CL150 | JIS10K |
| 強度試驗 | 2.4 | 3.8 | 6.0 | 3.2 | 2.4 |
| 密封試驗 | 1.8 | 2.8 | 4.4 | 2.2 | 1.5 |
| 氣密試驗 | 0.5-0.7 | ||||
| 工作溫度 | PTFE≤150℃ PTL≤300℃ | ||||
| 適用介質 | C:水、油、氣;P:硝酸類;R:醋酸類 | ||||
三、Q644F氣動三通球閥主要零件材料
| 閥體、閥蓋 | WCB、CF8 |
| 球體 | WCB Hcr、CF8 |
| 閥桿 | 2Cr13、CF8 |
| 閥座 | PTFE |
| 填料 | PTFE |
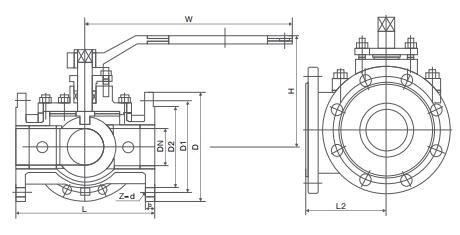
四、Q644F氣動三通球閥主要外形尺寸

| 公稱壓力 | 公稱通徑 | L | L1 | H | W | 重量(kg) | |||||
| Mpa | mm | in | mm | mm | mm | mm | 1.6 | 2.5 | 4.0 | CL150 | JIS10K |
|
1.6 |
15 | 1/2 | 130 | 65 | 62 | 100 | 2.5 | 3.0 | 3.5 | 2.5 | 2.5 |
| 20 | 3/4 | 150 | 75 | 68 | 160 | 3.0 | 3.5 | 4.5 | 3.0 | 3.6 | |
| 25 | 1 | 160 | 80 | 75 | 160 | 4.8 | 5.0 | 6 | 5.0 | 5.0 | |
| 32 | 11/4 | 180 | 90 | 85 | 200 | 6.5 | 7 | 8.5 | 7 | 7 | |
| 40 | 11/2 | 200 | 100 | 95 | 200 | 8.5 | 9 | 10.5 | 9 | 9 | |
| 50 | 2 | 230 | 115 | 110 | 250 | 11 | 12 | 14 | 12 | 11 | |
| 65 | 21/2 | 290 | 145 | 130 | 300 | 15 | 17 | 20 | 16 | 16 | |
| 80 | 3 | 310 | 155 | 155 | 400 | 21 | 22 | 32 | 21 | 22 | |
| 100 | 4 | 350 | 175 | 180 | 500 | 33 | 36 | 50 | 36 | 36 | |
| 125 | 5 | 400 | 200 | 250 | 600 | 65 | 70 | 80 | 68 | 70 | |
| 150 | 6 | 480 | 240 | 275 | 800 | 103 | 110 | 120 | 105 | 105 | |
| 200 | 8 | 580 | 290 | 325 | 1000 | 152 | 168 | 180 | 160 | 160 | |
溫馨提示:
本文中所有文字、數據、圖片均只適用于參考。需要查看更多的Q644F氣動三通球閥性能參數、結構尺寸參數、價格等詳情,或要求高質量印刷樣本,請聯系我們。