Q41F高溫球閥
產品概況
產品型號:Q41F
公稱通徑:DN15~200mm
壓力范圍:PN1.6~2.5MPa
工作溫度:-29℃~+300℃
主體材質:鑄鋼、304、304L、316、316L
驅動方式:手動、電動、氣動
設計標準:ASME B16.34 GB/T12224
結構長度:ASME B16.10 GB/T12221
連接法蘭:ASME B16.34 JB/T79
試驗和檢驗:JB/T9092 API 598
一、Q41F 高溫球閥特點
1、結構簡單、體積小、重量輕,
2、緊密可靠。它有兩個密封面,而且球閥的密封面材料廣泛使用各種塑料,密封性好,能實現完全密封。在真空系統中也已廣泛使用。
3、操作方便,開閉迅速,從全開到全關只要旋轉90°,便于遠距離的控制。
4、維修方便,球閥結構簡單,密封圈一般都是活動的,拆卸更換都比較方便。
5、在全開或全閉時,球體和閥座的密封面與介質隔離,介質通過時,不會引起閥門密封面的侵蝕。
6、由于球閥在啟閉過程中有擦拭性,所以可用于帶懸浮固體顆粒的介質中。
7、流體阻力小,全通徑的球閥基本沒有流阻。
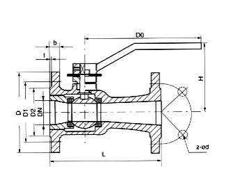
二、Q41F 高溫球閥尺寸

|
型號 |
公稱通徑 |
尺寸mm |
|||||||
|
L |
D |
D1 |
D2 |
b-d |
Z-Φd |
H |
D0 |
||
|
Q41F-16P |
15 |
115 |
95 |
65 |
45 |
14-2 |
4-14 |
105 |
150 |
|
20 |
130 |
105 |
75 |
55 |
16-2 |
4-14 |
110 |
150 |
|
|
25 |
140 |
115 |
85 |
65 |
16-2 |
4-14 |
120 |
160 |
|
|
32 |
165 |
135 |
100 |
78 |
16-2 |
4-18 |
145 |
160 |
|
|
40 |
180 |
145 |
110 |
85 |
16-3 |
4-18 |
155 |
250 |
|
|
50 |
200 |
160 |
125 |
100 |
18-3 |
4-18 |
175 |
300 |
|
|
65 |
220 |
180 |
145 |
120 |
18-3 |
4-18 |
195 |
300 |
|
|
80 |
250 |
195 |
160 |
135 |
20-3 |
8-18 |
225 |
320 |
|
|
100 |
280 |
215 |
180 |
155 |
20-3 |
8-18 |
255 |
320 |
|
|
125 |
320 |
245 |
210 |
185 |
20-3 |
8-18 |
285 |
400 |
|
|
150 |
360 |
280 |
240 |
210 |
24-3 |
8-23 |
295 |
400 |
|
|
200 |
400 |
335 |
295 |
265 |
30-3 |
12-23 |
330 |
450 |
|
溫馨提示:
本文中所有文字、數據、圖片均只適用于參考。需要查看更多的Q41F高溫球閥性能參數、結構尺寸參數、價格等詳情,或要求高質量印刷樣本,請聯系我們。