KF941X電動敞開式插板閥
產品概況
產品型號:KF941X
公稱通徑:DN400~2800mm
公稱壓力:0.05~0.25MPa
適用溫度:200℃(硅橡膠)300℃(氟橡膠)
驅動方式:電動、液動、氣動、電液動
適用介質:空氣、加熱爐煤氣、高爐煤氣、轉爐煤氣、、煙氣等
閥體材質:碳鋼、橡膠、鉻鋼
設計標準:API 600、API6D、ASME B16.34、GB/T 12234
結構長度:ASME B16.10、API6D、GB/T 12221
連接標準:ASME B16.5、ASME B16.47、GB/T 9113、JB/T 79、HG/T 20592
壓力試驗:API 598、GB/T 13927、JB/T 9092
壓力-溫度等級:ASME B16.34 、GB/T 12224
KF941X電動敞開式插板閥結構特點及用途
百鋼閥門集團生產銷售的KF941X電動敞開式插板閥為敞開式設計結構,具有重量輕,易維護(密封膠圈更換、電動裝置維護檢查、更換、閥門的局部維護均在外部,不影響閥門正常運行),閥門的運動過程、開關狀態直觀性好,啟閉后檢查完成狀態較為方便,具有封閉式的優勢,缺點是啟閉時有少量的煤氣外漏。本閥門在設計上吸收了國外插板閥浮動閥板技術;壓緊傳動機構采用齒圈、齒輪、梯形螺紋、絲桿副同步雙向壓緊。左、右旋梯形螺紋絲桿同步壓緊的優點是;起動力矩小,螺紋副自鎖性好,閥門密封可靠板移動采用銷齒輪傳動機構,不易積灰,滿足了粉塵多、潤滑條件差、工作環境惡劣的場合使用。
本閥地面可配置防 爆型控制柜,實行現場控制和遠距離與PLC系統連接控制,設計距離10米以上。
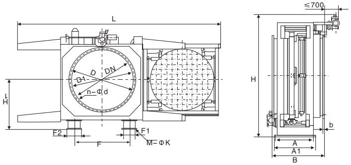
KF941X電動敞開式插板閥主要外形尺寸

| DN | D | D1 | B | b | n-d | H | H1 | L | A | A1 | F | F1 | F2 | M-K | 電動功率(kw) | 質量(kg) | ||||
| 走板 | 夾板 | PN0.05 | PN0.10 | PN0.15 | PN0.25 | |||||||||||||||
| 400 | 540 | 495 | 600 | 18 | 16-22 | 1300 | 350 | 2210 | 600 | 680 | 500 | 160 | 220 | 4-23 | 1.1 | 1.5 | 880 | 960 | ||
| 450 | 595 | 550 | 600 | 18 | 16-22 | 1520 | 400 | 2400 | 600 | 680 | 500 | 160 | 220 | 4-23 | 1.1 | 1.5 | 980 | 1060 | ||
| 500 | 645 | 600 | 600 | 18 | 20-26 | 1600 | 450 | 2540 | 600 | 680 | 500 | 160 | 220 | 4-23 | 1.1 | 1.5 | 1050 | 1180 | ||
| 600 | 755 | 705 | 800 | 24 | 24-26 | 1750 | 500 | 2720 | 600 | 680 | 900 | 280 | 340 | 8-23 | 1.1 | 1.5 | 1150 | 1280 | ||
| 700 | 860 | 810 | 800 | 24 | 24-30 | 1884 | 720 | 2815 | 600 | 680 | 950 | 280 | 340 | 8-23 | 1.1 | 1.5 | 1210 | 1320 | ||
| 800 | 975 | 920 | 800 | 24 | 24-30 | 1970 | 800 | 3115 | 600 | 680 | 1045 | 280 | 340 | 8-23 | 1.5 | 1.5 | 1450 | 1600 | ||
| 900 | 1075 | 1020 | 800 | 24 | 24-30 | 2086 | 880 | 3640 | 600 | 680 | 1250 | 280 | 340 | 8-23 | 2.2 | 2.2 | 1840 | 2050 | ||
| 1000 | 1175 | 1120 | 800 | 24 | 28-30 | 2250 | 960 | 3940 | 820 | 910 | 1250 | 280 | 340 | 8-23 | 2.2 | 2.2 | 2180 | 2450 | ||
| 1200 | 1375 | 1320 | 1200 | 26 | 32-30 | 2837 | 1165 | 5930 | 1100 | 1180 | 1060 | 480 | 560 | 8-33 | 1.1 | 2.2 | 2600 | 2800 | ||
| 1400 | 1575 | 1520 | 1200 | 26 | 36-30 | 3057 | 1285 | 6530 | 1100 | 1220 | 1400 | 480 | 560 | 8-33 | 1.1 | 1.5 | 3250 | 3550 | ||
| 1600 | 1790 | 1730 | 1200 | 32 | 40-30 | 3257 | 1385 | 7130 | 1100 | 1180 | 1560 | 480 | 560 | 8-33 | 1.5 | 1.5 | 4350 | 4750 | ||
| 1800 | 1990 | 1930 | 1400 | 32 | 44-30 | 3400 | 1428 | 7730 | 1100 | 1180 | 1750 | 230 | 560 | 8-33 | 2.2 | 2.2 | 5100 | 5600 | ||
| 2000 | 2190 | 2130 | 1400 | 32 | 48-30 | 4010 | 1850 | 8400 | 1200 | 1280 | 1800 | 230 | 560 | 8-33 | 2.2 | 2.2 | 5760 | 6250 | ||
| 2200 | 2405 | 2340 | 1600 | 32 | 52-30 | 4110 | 1950 | 9050 | 1200 | 1280 | 1900 | 230 | 560 | 8-33 | 2.2 | 2.2 | 7050 | 7750 | ||
| 2400 | 2605 | 2540 | 1600 | 32 | 56-33 | 4365 | 2050 | 9600 | 1200 | 1280 | 2360 | 230 | 560 | 8-33 | 2.2 | 2.2 | 8250 | 9050 | ||
| 2600 | 2805 | 2740 | 1800 | 34 | 60-33 | 4375 | 2141 | 8567 | 1340 | 1410 | 2332 | 300 | 600 | 8-36 | 2.2 | 2.2 | 9700 | 10500 | ||
| 2800 | 2960 | 3030 | 1800 | 36 | 64-36 | 4554 | 2280 | 8925 | 1340 | 1410 | 2532 | 300 | 600 | 8-36 | 2.2 | 2.2 | 12000 | 13200 | ||
溫馨提示:
本文中所有文字、數據、圖片均只適用于參考。需要查看更多的KF941X電動敞開式插板閥性能參數、結構尺寸參數、價格等詳情,或要求高質量印刷樣本,請聯系我們。