JD745X隔膜式多功能水泵控制閥
產品概況
產品型號:JD745X
公稱通徑:DN40~1600mm
公稱壓力:PN1.0~2.5MPa
適用介質:水、油品、海水、污水
適用溫度:0~80℃
法蘭標準:GB/T17241.6、GB/T9113
試驗標準:GB/T13927、API598
一、JD745X隔膜式多功能水泵控制閥結構特點
百鋼閥門集團生產銷售的JD745X隔膜式多功能水泵控制閥由主閥和調節閥及接管系統組成,閥體采用直流式閥體,主閥控制室為膜片式或活塞式的雙控制室結構,控制室比一般水力控制閥增加了一個,增加了對主閥的控制功能,實現了對水泵出口的緩慢開啟、全開、緩閉、截止等多功能控制,實現了一個閥門、一次調節對水泵出口的多功能控制。
本產品的接管系統采用調節閥控制,通過設定調節閥的開度,可方便實現需要的各項控制參數,如主閥的開啟速度、緩閉速度等等。
二、JD745X隔膜式多功能水泵控制閥工作原理
當水泵起動起后,水壓作用于主閥閥盤下面和控制室下腔,此壓力使主閥開啟,控制室上腔的水經過調節閥B緩緩排到出口端,主閥緩緩開啟。設定調節閥的開度可得到合適地主閥開啟速度。當水泵停止工作后,進口端水壓迅速下降,在自重、彈簧壓力作用下快速關閉大部分開度,防止了水倒流余下的開度由控制室上腔的水壓和下腔水壓聯合作用下緩緩關閉,關閉速度減慢形成了緩沖,防止壓力劇增。
設定調節閥A、B的開度和開度比可得到合適的閥門啟閉速度。
三、JD745X隔膜式多功能水泵控制閥工作特點
1、防止水錘效果好,將緩開、止回速閉、緩閉等消除水錘的技術一體化,防止開泵不錘和停泵倒流與水錘對供水管路和水泵的損害。
2、操作方便,無需為閥門另配電控系統,閥門隨水泵的開啟與停止自動并按順序完成控制功能。通過設定調節閥開度可得到合適的控制參數。
3、閥體采用了全通道、直流式、流線型設計。水力損失小,節能效果好。
四、JD745X隔膜式多功能水泵控制閥功能與用途
本閥門安裝在水泵出口端,順序實現緩慢開啟、全開、速閉、緩閉等功能。
本產品用于高層建筑給水系統和其它給水系統的水泵出口管路上,防止和減弱水泵啟閉時管線的水錘水擊,防止水倒流保護水泵,維護管路安全。
五、JD745X隔膜式多功能水泵控制閥主要技術參數
|
公稱壓力 |
殼體試驗壓力 |
密封試驗壓力 |
調壓范圍 |
緩閉時間 |
動作壓力 |
適用介質 |
介質溫度 |
|
1.0 |
1.5 |
1.1 |
0.09-0.8 |
3-60(可調) |
≥0.07 |
水 |
0-80 |
六、JD745X隔膜式多功能水泵控制閥主要零件材料
|
零件名稱 |
零件材料 |
|
閥體 閥蓋 |
WCB |
|
閥座 閥盤 |
銅合金/2Cr13 |
|
密封圈 O型圈 |
丁腈橡膠 |
|
閥桿 |
2Cr13 |
|
彈簧 |
50CrVA |
|
缸套 活塞(活塞型) |
2Cr13 |
|
膜片(膜片型) |
夾織物丁腈橡膠 |
|
調節閥 球閥 |
銅合金 |
|
過濾器 |
不銹鋼 |
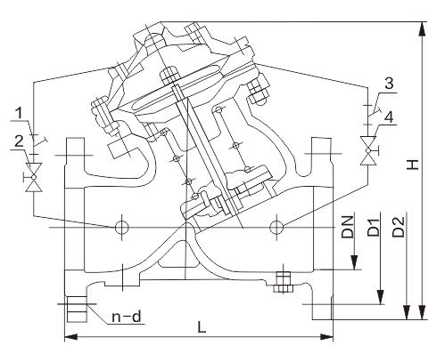
七、JD745X隔膜式多功能水泵控制閥部件列表:
1、主閥2、流量調節閥3、過濾器
八、JD745X隔膜式多功能水泵控制閥連接尺寸

|
DN |
L |
H |
D(mm) |
D1(mm) |
b(mm) |
D2(mm) |
n-Φd |
||||||||||
|
mm |
mm |
PN1.0 |
PN1.6 |
PN2.5 |
PN1.0 |
PN1.6 |
PN2.5 |
PN1.0 |
PN1.6 |
PN2.5 |
PN1.0 |
PN1.6 |
PN2.5 |
PN1.0 |
PN1.6 |
PN2.5 |
|
|
40 |
240 |
270 |
150 |
150 |
150 |
110 |
110 |
110 |
18 |
18 |
18 |
88 |
88 |
84 |
4-17.5 |
4-17.5 |
4-18 |
|
50 |
240 |
270 |
165 |
165 |
165 |
125 |
125 |
125 |
20 |
20 |
20 |
102 |
102 |
99 |
4-17.5 |
4-17.5 |
4-18 |
|
65 |
270 |
340 |
185 |
185 |
185 |
145 |
145 |
145 |
20 |
20 |
22 |
122 |
122 |
118 |
4-17.5 |
4-17.5 |
8-18 |
|
80 |
300 |
400 |
200 |
200 |
200 |
160 |
160 |
160 |
22 |
22 |
24 |
133 |
133 |
132 |
8-17.5 |
8-17.5 |
8-18 |
|
100 |
350 |
440 |
220 |
220 |
235 |
180 |
180 |
190 |
24 |
24 |
24 |
158 |
158 |
156 |
8-17.5 |
8-17.5 |
8-22 |
|
125 |
400 |
460 |
250 |
250 |
270 |
210 |
210 |
220 |
26 |
26 |
26 |
184 |
184 |
184 |
8-17.5 |
8-17.5 |
8-26 |
|
150 |
480 |
500 |
285 |
285 |
300 |
240 |
240 |
250 |
26 |
26 |
28 |
212 |
212 |
211 |
8-22 |
8-22 |
8-26 |
|
200 |
500 |
640 |
340 |
340 |
360 |
295 |
295 |
310 |
28 |
30 |
30 |
268 |
268 |
274 |
8-22 |
12-22 |
12-26 |
|
250 |
605 |
690 |
395 |
405 |
425 |
350 |
355 |
370 |
28 |
32 |
32 |
320 |
320 |
330 |
12-22 |
12-26 |
12-30 |
|
300 |
700 |
820 |
445 |
460 |
485 |
400 |
410 |
430 |
28 |
32 |
34 |
370 |
370 |
389 |
12-22 |
12-26 |
16-30 |
|
350 |
800 |
950 |
505 |
520 |
555 |
460 |
470 |
490 |
30 |
36 |
38 |
430 |
430 |
448 |
16-22 |
16-26 |
16-33 |
|
400 |
900 |
1400 |
565 |
580 |
620 |
515 |
525 |
550 |
32 |
38 |
40 |
482 |
482 |
503 |
16-26 |
16-30 |
16-36 |
|
450 |
1000 |
1580 |
615 |
640 |
670 |
565 |
585 |
600 |
32 |
40 |
42 |
532 |
550 |
548 |
20-26 |
20-30 |
20-36 |
|
500 |
1100 |
1600 |
670 |
715 |
730 |
620 |
650 |
660 |
34 |
42 |
44 |
585 |
585 |
609 |
20-26 |
20-33 |
20-36 |
|
600 |
1300 |
1815 |
780 |
840 |
845 |
725 |
770 |
770 |
36 |
48 |
46 |
685 |
685 |
720 |
20-30 |
20-36 |
20-39 |
|
700 |
1400 |
2040 |
895 |
910 |
960 |
840 |
840 |
845 |
40 |
54 |
50 |
800 |
800 |
820 |
24-30 |
24-36 |
24-42 |
|
800 |
1500 |
2350 |
1015 |
1025 |
1085 |
950 |
950 |
990 |
44 |
58 |
54 |
905 |
905 |
925 |
24-33 |
24-39 |
24-48 |
|
900 |
1700 |
2606 |
1115 |
1125 |
1185 |
1050 |
1050 |
1090 |
46 |
62 |
58 |
1005 |
1005 |
1028 |
28-33 |
28-39 |
28-48 |
|
1000 |
1900 |
2765 |
1230 |
1255 |
1320 |
1160 |
1170 |
1210 |
50 |
66 |
62 |
1110 |
1110 |
1140 |
28-36 |
28-42 |
28-56 |
|
1200 |
2050 |
2950 |
1455 |
1485 |
1530 |
1380 |
1390 |
1420 |
56 |
52 |
70 |
1330 |
1328 |
1350 |
32-39 |
32-48 |
32-55 |
|
1400 |
2200 |
3180 |
1675 |
1685 |
1755 |
1590 |
1590 |
1640 |
62 |
58 |
76 |
1530 |
1530 |
1560 |
36-42 |
36-48 |
36-60 |
|
1600 |
2400 |
3400 |
1915 |
1930 |
1955 |
1820 |
1820 |
1860 |
68 |
64 |
84 |
1750 |
1750 |
1780 |
40-48 |
40-55 |
40-60 |
溫馨提示:
本文中所有文字、數據、圖片均只適用于參考。需要查看更多的JD745X隔膜式多功能水泵控制閥性能參數、結構尺寸參數、價格等詳情,或要求高質量印刷樣本,請聯系我們。