Q41F46襯氟球閥
產品概況
產品型號:Q41F46
公稱通徑:DN15~250mm,NPS1/2"~10"
公稱壓力:PN1.0~1.6MPa
驅動方式:手動、蝸輪轉動、氣動、電動
主體材質:HT250、WCB、CF8、CF8M、CF3、CF3M
設計規范:GB/T 12237,API 6D標準
百鋼閥門集團生產銷售的Q41F46襯氟球閥是用帶圓形通孔的球體作啟閉件,球體隨閥桿繞閥體中心線旋轉以實現閥門開啟和關閉。本廠球閥系列為Q41型,為對開二片結構形式。
1、采用特殊的模壓工藝,使密封面致密良好,加之V型PTFE填料組合使閥門達到零泄漏。
2、球體與閥桿鑄為一體,杜絕了由于壓力變化引起閥桿沖出承壓件內的可能性,根本保證使用中的安全性。
3、采用全塑料襯里工藝,耐介質的強腐蝕。
二、Q41F46襯氟球閥驅動方式
手動襯氟球閥、蝸輪轉動襯氟球閥、氣動襯氟球閥、電動襯氟球閥
三、Q41F46襯氟球閥主要零部件材料表
| 序號 | 零件名稱 | 灰鑄鐵 | 鑄鋼 | 不銹耐酸鑄鋼 | 超低碳不銹耐酸鑄鋼 | ||
| Z | C | P | R | PL | RL | ||
| 1 | 閥體/閥蓋 | HT250 | WCB | CF8 | CF8M | CF3 | CF3M |
| 2 | 球體/閥桿 | WCB | CF8 | CF8M | CF3 | CF3M | |
| 3 | 襯里/閥座 | PCTEF(F3),FEP(F46),PFA(可溶F4),PP,PO | |||||
| 4 | 填料壓蓋 | WCB | CF8 | CF8M | CF3 | CF3M | |
| 5 | 填料 | PTFE(F4) | PTFE(F4) | PTFE(F4) | |||
| 6 | 支架 | 35 | 1Cr18Ni9Ti | 1Cr18Ni9Ti | |||
| 7 | 螺栓 | 35 | Cr17Ni2 | 1Cr18Ni2 | |||
| 8 | 緊固螺母 | 45 | 0Cr18Ni9 | 0Cr18Ni9 | |||
| 9 | 操作手柄 | WCB | WCB | WCB | |||
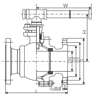
四、Q41F46襯氟球閥主要外形和連接尺寸

| 公稱通徑 | L | D | D1 | D2 | f | b | Z-φd | |
| DN(mm) | NPS(inch) | PN1.0MPa | ||||||
| 15 | 1/2 | 130 | 95 | 65 | 45 | 2 | 14 | 4-φ14 |
| 20 | 3/4 | 140 | 105 | 75 | 55 | 2 | 16 | 4-φ14 |
| 25 | 1 | 150 | 115 | 85 | 65 | 2 | 16 | 4-φ14 |
| 32 | 5/4 | 165 | 135 | 100 | 78 | 2 | 18 | 4-φ18 |
| 40 | 3/2 | 180 | 145 | 110 | 85 | 3 | 18 | 4-φ18 |
| 50 | 2 | 200 | 160 | 125 | 100 | 3 | 20 | 4-φ18 |
| 65 | 5/2 | 220 | 180 | 145 | 120 | 3 | 20 | 4-φ18 |
| 80 | 3 | 250 | 195 | 160 | 135 | 3 | 22 | 4-φ18 |
| 100 | 4 | 280 | 215 | 180 | 155 | 3 | 22 | 8-φ18 |
| 125 | 5 | 320 | 245 | 210 | 185 | 3 | 24 | 8-φ18 |
| 150 | 6 | 360 | 280 | 240 | 210 | 3 | 24 | 8-φ23 |
| 200 | 8 | 457 | 335 | 295 | 265 | 3 | 26 | 8-φ23 |
| 250 | 10 | 533 | 390 | 350 | 320 | 3 | 28 | 12-φ23 |
| PN1.6MPa | ||||||||
| 15 | 1/2 | 130 | 95 | 65 | 45 | 2 | 14 | 4-φ14 |
| 20 | 3/4 | 130 | 105 | 75 | 55 | 2 | 16 | 4-φ14 |
| 25 | 1 | 140 | 115 | 85 | 65 | 2 | 16 | 4-φ14 |
| 32 | 5/4 | 165 | 135 | 100 | 78 | 2 | 18 | 4-φ18 |
| 40 | 3/2 | 165 | 145 | 110 | 85 | 3 | 18 | 4-φ18 |
| 50 | 2 | 203 | 160 | 125 | 100 | 3 | 20 | 4-φ18 |
| 65 | 5/2 | 222 | 180 | 145 | 120 | 3 | 20 | 4-φ18 |
| 80 | 3 | 241 | 195 | 160 | 135 | 3 | 22 | 8-φ18 |
| 100 | 4 | 305 | 215 | 180 | 155 | 3 | 24 | 8-φ18 |
| 125 | 5 | 356 | 245 | 210 | 185 | 3 | 26 | 8-φ18 |
| 150 | 6 | 394 | 280 | 240 | 210 | 3 | 28 | 8-φ23 |
| 200 | 8 | 457 | 335 | 295 | 265 | 3 | 30 | 12-φ23 |
溫馨提示:
本文中所有文字、數據、圖片均只適用于參考。需要查看更多的Q41F46襯氟球閥性能參數、結構尺寸參數、價格等詳情,或要求高質量印刷樣本,請聯系我們。