Z41H國標閘閥
產品概況
產品型號:Z41H
公稱通徑:DN50~1200mm
壓力范圍:PN10~160MPa
工作溫度:-29℃~+600℃
主體材質:碳鋼、不銹鋼、合金鋼
設計與制造:GB12234
結構長度:GB12221
法蘭尺寸:GB9113 JB79
壓力溫度:GB9131
試驗檢驗:GB/T13927 、JB/T9092
一、Z41H 國標閘閥介紹
百鋼閥門集團生產銷售的Z41H國標閘閥用途與特點閘閥是一種常見的啟閉閥,利用閘板的上下工作來接通(全開)和截斷(全關)管道中的流體介質。
1、流體阻力小,密封面受介質的沖刷和侵蝕小(閘板開啟高度高)。
2、開啟較有力,密封性能好,介質流向不受限制,不擾流,不降壓力。
3、形體簡單,制造工藝性好,適用范圍廣。
Z41H國標閘閥壓力試驗
| 公稱壓力 | 1.6 | 2.5 | 4.0 | 6.4 | 10.0 | 16.0 |
| 強度試驗 | 2.4 | 3.8 | 6.0 | 9.6 | 15.0 | 24.0 |
| 水密封試驗 | 1.8 | 2.8 | 4.4 | 7.0 | 11.0 | 18.0 |
| 上密封試驗 | 1.8 | 2.8 | 4.4 | 7.04 | 11.0 | 18.0 |
| 氣密封試驗 | 0.4-0.7 | |||||
二、Z41H國標閘閥主要零件材料及性能
| 體蓋板 | 閥桿 | 密封面 | 墊片 | 填料 | 工作溫度℃ | 適用介質 |
| WCB | 2Cr13 | 13CrSTL本體材料尼龍 |
增強柔性石墨1Cr13/ 柔性石墨08軟鋼0Cr18Ni9Ti0Cr17Ni12 Mo2TiXD550F(T)PTFE |
柔性石墨增強 柔性石墨 SFB/260SFP /260PTFE |
≤425 | 水、蒸汽、油品 |
| WC1 | 38CrMoA125Cr2MoV | ≤450 | ||||
| WC6 | ≤540 | |||||
| WC9 | ≤570 | |||||
| ZGCr5Mo | ≤540 | |||||
| ZG1Cr18Ni9Ti | 1Cr18Ni9Ti | ≤200 | 銷酸類 | |||
| ZG1Cr18Ni12Mo2Ti | 1C18Ni12Mo2Ti | ≤200 | 醋酸類 |
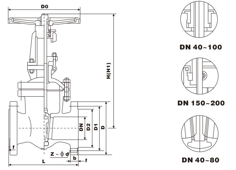
三、Z41H國標閘閥主要外形尺寸

PN1.6MPa規格主要尺寸
| 1.6MPa | DN | L | d | D1 | D2 | b | n-Φd | H | D0 |
|
凸面法蘭 RF Z40H Z40Y Z40W Z40F Z40NZ41H Z41Y Z41F Z41N16C 16P 16R 16I |
15 | 130 | 95 | 65 | 45 | 14 | 4-Φ14 | 170 | 120 |
| 20 | 150 | 105 | 75 | 55 | 14 | 4-Φ14 | 190 | 140 | |
| 25 | 160 | 115 | 85 | 65 | 14 | 4-Φ14 | 205 | 160 | |
| 32 | 180 | 135 | 100 | 78 | 16 | 4-Φ18 | 270 | 180 | |
| 40 | 200 | 145 | 110 | 85 | 16 | 4-Φ18 | 310 | 200 | |
| 50 | 250 | 160 | 125 | 100 | 16 | 4-Φ18 | 358 | 240 | |
| 65 | 265 | 180 | 145 | 120 | 18 | 4-Φ18 | 373 | 240 | |
| 80 | 280 | 195 | 160 | 135 | 20 | 8-Φ18 | 435 | 280 | |
| 100 | 300 | 25 | 180 | 155 | 20 | 8-Φ18 | 500 | 300 | |
| 125 | 325 | 245 | 210 | 185 | 22 | 8-Φ18 | 614 | 320 | |
| 150 | 350 | 280 | 240 | 210 | 24 | 8-Φ23 | 674 | 320 | |
| 200 | 400 | 335 | 295 | 265 | 26 | 12-Φ23 | 818 | 400 | |
| 250 | 450 | 405 | 355 | 320 | 30 | 12-Φ25 | 969 | 450 | |
| 300 | 500 | 460 | 410 | 375 | 30 | 12-Φ25 | 1145 | 500 | |
| 350 | 550 | 520 | 470 | 435 | 34 | 16-Φ25 | 1280 | 500 | |
| 400 | 600 | 580 | 525 | 485 | 36 | 16-Φ30 | 14852 | 560 | |
| 450 | 650 | 640 | 585 | 545 | 40 | 20-Φ30 | 1541 | 600 | |
| 500 | 700 | 705 | 650 | 608 | 44 | 20-Φ34 | 1676 | 640 | |
| 600 | 800 | 840 | 770 | 718 | 48 | 20-Φ41 | 1874 | 720 | |
| 700 | 900 | 910 | 840 | 788 | 50 | 24-Φ41 | 2083 | 800 | |
| 800 | 1000 | 1020 | 950 | 898 | 52 | 24-Φ41 | 2400 | 950 | |
| 900 | 1100 | 1120 | 1050 | 998 | 64 | 28-Φ41 | 2950 | 1000 | |
| 1000 | 1200 | 1255 | 1170 | 1110 | 56 | 28-Φ48 | 3245 | 1000 |
PN2.5MPa規格主要尺寸
| 2.5MPa | DN | L | D | D1 | D2 | b | n-Φd | H | DO |
|
凸面法蘭 RF Z40H Z40Y Z40W Z40F Z40NZ41H Z41Y Z41F Z41N25C 25P 25R 25I |
15 | 130 | 95 | 65 | 45 | 16 | 4-Φ14 | 172 | 120 |
| 20 | 150 | 105 | 75 | 55 | 16 | 4-Φ14 | 191 | 140 | |
| 25 | 160 | 115 | 85 | 65 | 16 | 4-Φ14 | 205 | 160 | |
| 32 | 180 | 135 | 100 | 78 | 18 | 4-Φ18 | 270 | 180 | |
| 40 | 200 | 145 | 110 | 85 | 18 | 4-Φ18 | 300 | 200 | |
| 50 | 250 | 160 | 125 | 100 | 20 | 4-Φ18 | 357 | 240 | |
| 65 | 265 | 180 | 145 | 120 | 22 | 8-Φ18 | 376 | 240 | |
| 80 | 280 | 195 | 160 | 135 | 22 | 8-Φ18 | 434 | 280 | |
| 100 | 300 | 230 | 190 | 160 | 24 | 8-Φ23 | 502 | 300 | |
| 125 | 325 | 270 | 220 | 188 | 28 | 8-Φ25 | 613 | 320 | |
| 150 | 350 | 300 | 250 | 218 | 30 | 8-Φ25 | 675 | 320 | |
| 200 | 400 | 360 | 310 | 278 | 34 | 12-Φ25 | 819 | 400 | |
| 250 | 450 | 425 | 370 | 332 | 36 | 12-Φ30 | 968 | 450 | |
| 300 | 500 | 485 | 430 | 390 | 40 | 16-Φ30 | 1144 | 500 | |
| 350 | 550 | 550 | 490 | 448 | 44 | 16-Φ34 | 1280 | 500 | |
| 400 | 600 | 610 | 550 | 505 | 48 | 16-Φ34 | 1451 | 560 | |
| 450 | 650 | 660 | 600 | 555 | 50 | 20-Φ34 | 1542 | 600 | |
| 500 | 700 | 730 | 660 | 510 | 52 | 20-Φ41 | 1678 | 640 | |
| 600 | 800 | 840 | 770 | 718 | 56 | 20-Φ41 | 1875 | 720 | |
| 700 | 900 | 955 | 875 | 815 | 60 | 24-Φ28 | 2082 | 800 | |
| 800 | 1000 | 1070 | 990 | 930 | 64 | 24-Φ28 | 2403 | 950 | |
| 900 | 1100 | 1180 | 1090 | 1025 | 66 | 28-Φ54 | 2952 | 1000 | |
| 1000 | 1200 | 1305 | 1210 | 1140 | 68 | 28-Φ58 | 3244 | 1000 |
PN4.0MPa~6.4 MPa規格主要尺寸
| 4.0MPa | DN | L | D | D1 | D2 | D6 | b | n-Φd | H | D0 |
|
凹面法蘭 MFM Z40H Z40Y Z40W Z40F Z40NZ41H Z41Y Z41F Z41N40 40P 40R 40I |
15 | 130 | 95 | 65 | 45 | 40 | 16 | 4-Φ14 | 134 | 120 |
| 20 | 150 | 105 | 75 | 55 | 51 | 16 | 4-Φ14 | 188 | 140 | |
| 25 | 160 | 115 | 85 | 64 | 58 | 16 | 4-Φ14 | 206 | 140 | |
| 32 | 180 | 135 | 100 | 78 | 66 | 18 | 4-Φ18 | 272 | 180 | |
| 40 | 200 | 145 | 110 | 85 | 76 | 18 | 4-Φ18 | 322 | 180 | |
| 50 | 250 | 160 | 125 | 100 | 88 | 20 | 4-Φ18 | 370 | 240 | |
| 65 | 280 | 180 | 145 | 120 | 110 | 22 | 8-Φ18 | 394 | 280 | |
| 80 | 310 | 195 | 160 | 135 | 121 | 22 | 8-Φ18 | 455 | 300 | |
| 100 | 350 | 230 | 190 | 160 | 150 | 24 | 8-Φ23 | 550 | 320 | |
| 125 | 400 | 270 | 220 | 188 | 176 | 28 | 8-Φ25 | 636 | 35 | |
| 150 | 450 | 300 | 250 | 218 | 204 | 30 | 8-Φ30 | 706 | 400 | |
| 200 | 550 | 375 | 320 | 282 | 260 | 38 | 12-Φ34 | 859 | 450 | |
| 250 | 650 | 445 | 385 | 345 | 313 | 42 | 12-Φ34 | 1016 | 560 | |
| 300 | 750 | 510 | 450 | 408 | 364 | 46 | 16-Φ34 | 1200 | 640 | |
| 350 | 850 | 570 | 510 | 465 | 422 | 52 | 16-Φ41 | 1340 | 640 | |
| 400 | 950 | 655 | 585 | 535 | 474 | 58 | 16-Φ41 | 1495 | 720 | |
| 450 | 1050 | 680 | 610 | 560 | 524 | 60 | 20-Φ48 | 1581 | 800 | |
| 500 | 1150 | 755 | 670 | 612 | 576 | 62 | 20-Φ54 | 1790 | 950 | |
| 600 | 1350 | 890 | 695 | 730 | 678 | 62 | 20-Φ14 | 2035 | 950 | |
| 6.4MPa | 15 | 1700 | 105 | 75 | 55 | 40 | 18 | 4-Φ18 | 1425 | 160 |
|
凹面法蘭 MFM Z40H Z40Y Z40W Z40F Z40NZ41H Z41Y Z41F Z41N64 64P 64R 64I |
20 | 190 | 125 | 90 | 68 | 51 | 20 | 4-Φ18 | 142 | 160 |
| 25 | 210 | 135 | 100 | 78 | 58 | 22 | 4-Φ23 | 214 | 200 | |
| 32 | 230 | 150 | 110 | 82 | 66 | 24 | 4-Φ23 | 269 | 200 | |
| 40 | 240 | 165 | 125 | 95 | 76 | 24 | 4-Φ23 | 343 | 240 | |
| 50 | 250 | 175 | 135 | 105 | 88 | 26 | 4-Φ23 | 370 | 240 | |
| 65 | 280 | 200 | 160 | 130 | 110 | 28 | 8-Φ23 | 396 | 280 | |
| 80 | 310 | 210 | 170 | 140 | 121 | 30 | 8-Φ23 | 458 | 300 | |
| 100 | 350 | 250 | 200 | 168 | 150 | 32 | 8-Φ25 | 553 | 300 | |
| 125 | 400 | 295 | 240 | 202 | 176 | 36 | 8-Φ30 | 638 | 350 | |
| 150 | 450 | 340 | 280 | 240 | 204 | 38 | 8-Φ34 | 718 | 400 | |
| 200 | 550 | 405 | 345 | 300 | 260 | 44 | 12-Φ34 | 873 | 450 | |
| 250 | 650 | 470 | 400 | 352 | 313 | 48 | 12-Φ41 | 1050 | 560 | |
| 300 | 750 | 530 | 460 | 412 | 364 | 54 | 16-Φ41 | 1203 | 640 | |
| 350 | 850 | 595 | 525 | 475 | 422 | 60 | 16-Φ41 | 1394 | 720 | |
| 400 | 950 | 670 | 585 | 525 | 474 | 66 | 16-Φ48 | 1645 | 800 | |
| 500 | 1150 | 800 | 705 | 640 | 576 | 70 | 20-Φ54 | 2285 | 950 | |
| 600 | 1350 | 930 | 820 | 750 | 678 | 70 | 20-Φ58 | 2610 | 950 |
PN10.0MPa~16.0MPa(規格主要尺寸)
| 10.0MPa | DN | L | D | D1 | D6 | b | b-Φd | H | D0 |
|
凹面法蘭 MFM Z40H Z40Y Z40WZ41H Z41Y Z41W100 100P 100R 100I |
15 | 170 | 105 | 75 | 40 | 20 | 4-Φ14 | 175 | 160 |
| 20 | 190 | 125 | 90 | 51 | 22 | 4-Φ18 | 180 | 160 | |
| 25 | 210 | 135 | 100 | 58 | 24 | 4-Φ18 | 310 | 180 | |
| 32 | 230 | 150 | 110 | 66 | 24 | 4-Φ23 | 320 | 200 | |
| 40 | 240 | 165 | 125 | 76 | 26 | 4-Φ23 | 360 | 200 | |
| 50 | 250 | 195 | 145 | 88 | 28 | 4-Φ25 | 490 | 240 | |
| 65 | 280 | 220 | 170 | 110 | 32 | 8-Φ25 | 540 | 240 | |
| 80 | 310 | 230 | 180 | 121 | 34 | 8-Φ25 | 573 | 280 | |
| 100 | 350 | 265 | 210 | 150 | 38 | 8-Φ30 | 575 | 320 | |
| 125 | 400 | 310 | 250 | 176 | 42 | 8-Φ34 | 744 | 360 | |
| 150 | 450 | 350 | 290 | 204 | 46 | 12-Φ34 | 800 | 400 | |
| 200 | 500 | 430 | 360 | 260 | 54 | 12-Φ41 | 800 | 500 | |
| 250 | 650 | 500 | 430 | 313 | 60 | 12-Φ41 | 1050 | 640 | |
| 300 | 750 | 585 | 500 | 364 | 70 | 16-Φ48 | 1208 | 720 | |
| 350 | 850 | 655 | 560 | 422 | 76 | 16-Φ54 | 1410 | 720 | |
| 400 | 950 | 715 | 620 | 474 | 80 | 16-Φ54 | 1655 | 800 | |
| 16.0MPa | 15 | 170 | 110 | 75 | 40 | 24 | 4-Φ18 | 230 | 160 |
|
凹面法蘭 MFM Z40H Z40Y Z40WZ41H Z41Y Z41W160 160P 160R 160I |
20 | 190 | 130 | 90 | 51 | 26 | 4-Φ23 | 260 | 180 |
| 25 | 210 | 140 | 100 | 58 | 28 | 4-Φ23 | 280 | 200 | |
| 32 | 2310 | 165 | 115 | 66 | 30 | 4-Φ25 | 312 | 200 | |
| 40 | 240 | 175 | 125 | 76 | 32 | 4-Φ27 | 350 | 240 | |
| 50 | 300 | 210 | 165 | 88 | 36 | 8-Φ25 | 412 | 280 | |
| 65 | 340 | 245 | 190 | 110 | 44 | 8-Φ30 | 560 | 320 | |
| 80 | 390 | 260 | 205 | 121 | 46 | 8-Φ30 | 585 | 3.50 | |
| 100 | 450 | 300 | 240 | 150 | 48 | 8-Φ34 | 630 | 400 | |
| 125 | 525 | 355 | 285 | 176 | 60 | 8-Φ41 | 723 | 500 | |
| 150 | 600 | 390 | 318 | 204 | 66 | 12-Φ41 | 820 | 560 | |
| 200 | 750 | 480 | 400 | 260 | 78 | 12-Φ8 | 990 | 720 | |
| 250 | 850 | 580 | 485 | 313 | 88 | 12-Φ54 | 1104 | 800 | |
| 300 | 950 | 665 | 570 | 364 | 100 | 16-Φ54 | 1314 | 800 |
溫馨提示:
本文中所有文字、數據、圖片均只適用于參考。需要查看更多的Z41H國標閘閥性能參數、結構尺寸參數、價格等詳情,或要求高質量印刷樣本,請聯系我們。